


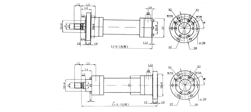
| 代號(hào)\缸徑(mm) | 40 | 50 | 63 | 80 | 100 | 125 | 140 | 160 | 180 | 200 | 220 | 250 | 280 | 320 | 360 | 400 |
| d | 22/ 28 |
28/ 36 |
36/ 45 |
45/ 56 |
56/ 70 |
70/ 90 |
90/ 100 |
100/ 110 |
110/ 125 |
125/ 140 |
140/ 160 |
160/ 180 |
180/ 200 |
200/ 220 |
220/ 250 |
250/ 280 |
| D6 | 90 | 110 | 130 | 145 | 175 | 210 | 230 | 275 | 300 | 320 | 370 | 415 | 450 | 510 | 570 | 640 |
| D7 | 108 | 130 | 155 | 170 | 205 | 245 | 265 | 325 | 360 | 375 | 430 | 485 | 520 | 600 | 660 | 740 |
| D8 | 130 | 160 | 185 | 200 | 245 | 295 | 315 | 385 | 420 | 445 | 490 | 555 | 590 | 680 | 740 | 830 |
| D9 | 9.5 | 11.5 | 14 | 14 | 18 | 22 | 22 | 26 | 26 | 33 | 33 | 39 | 39 | 45 | 45 | 52 |
| L1 | 226 | 234 | 262 | 275 | 325 | 382 | 420 | 475 | 515 | 540 | 635 | 659 | 744 | 815 | 890 | 980 |
| L1' | 256 | 264 | 297 | 310 | 370 | 432 | 475 | 535 | 585 | 615 | 720 | 744 | 839 | 935 | 1020 | 1120 |
| L9 | 5 | 5 | 5 | 5 | 5 | 5 | 10 | 10 | 10 | 10 | 10 | 10 | 10 | 10 | 10 | 10 |
| L10 | 30 | 30 | 35 | 35 | 45 | 50 | 50 | 60 | 70 | 75 | 85 | 85 | 95 | 120 | 130 | 140 |
| L11 | 19 | 23 | 27 | 25 | 35 | 42 | 45 | 50 | 50 | 50 | 60 | 70 | 65 | 65 | 70 | 80 |
| L12 | 5 | 5 | 5 | 5 | 5 | 5 | 5 | 10 | 10 | 10 | 10 | 10 | 10 | 10 | 10 | 10 |
| L13 | 32 | 32 | 27.5 | 37.5 | 32.5 | 37.5 | 47.5 | 50 | 50 | 50 | 75 | 75 | 100 | 110 | 120 | 140 |