


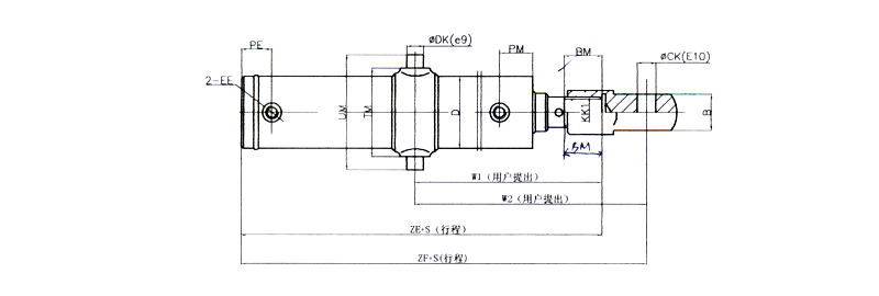
代號\缸徑 |
40 |
50 |
63 |
80 |
90 |
100 |
110 |
125 |
140 |
150 |
160 |
180 |
200 |
220 |
250 |
280 |
320 |
DK(e9) |
20 |
30 |
40 |
50 |
60 |
70 |
80 |
90 |
100 |
110 |
120 |
||||||
UM |
114 |
145 |
160 |
185 |
200 |
230 |
245 |
260 |
295 |
310 |
330 |
375 |
420 |
470 |
520 |
570 |
650 |
TM |
82 |
95 |
110 |
125 |
140 |
155 |
170 |
185 |
205 |
220 |
240 |
270 |
300 |
330 |
360 |
390 |
450 |
ZE |
198 |
210 |
225 |
259 |
288 |
291 |
325 |
350 |
370 |
395 |
410 |
449 |
484 |
540 |
600 |
680 |
765 |
ZF |
228 |
245 |
265 |
309 |
343 |
354 |
393 |
423 |
445 |
475 |
498 |
349 |
594 |
660 |
730 |
820 |
915 |